襯氟閥門

襯氟球閥


Q41F46 襯氟球閥采用全通徑、浮動球結構,閥門可在整個壓力範圍內進行無泄漏關閉,更便於管路係統的通球掃線和管路維護

襯氟球閥產品用途:

Q41F46 襯氟球閥內腔及球體均采用高壓注塑工藝襯有耐腐蝕、耐老化的聚全氟乙丙稀(F46),故具有可靠的耐腐蝕性和密封性。廣泛用於化工、石油、冶金、醫藥等工業部門,實現對生產過程中酸、堿等強腐蝕介質的調節或切斷,在水處理過程控製中使用效果明顯。
 
Q41F46襯氟球閥產品特點:

1、采用FEP襯裏層的球閥,具有極高的化學穩定性,可以適用除“熔融堿金屬和元素氟”,以外其它任何強腐蝕性質
2、采用全通徑、浮動球結構,閥門可在整個壓力範圍內進行無泄漏關閉,更便於管路係統的通球掃線和管路維護
3、啟閉件球件與閥杆鑄(鍛)為一體,杜絕了由於壓力變化引起閥杆衝出承壓件內的可能性,從根本上保證了工程中的使用安全性
4、結構緊湊合理,閥體內腔空間 小,減小了介質滯留,另外,特殊的模壓工藝,使密封麵致密度良好,加之人字環形PTFE填料組合,使閥門達到零泄漏
5、兩片式、三片式結構可適應各種不同要求的管路係統和工況條件,其中三片球閥允許主閥體與兩側閥體分離,可實現在線快速更換。

Q41F46襯氟球閥執行標準:

設計標準:GB12237
結構長度:GB12221
法蘭標準:JB/T79-94 GB9113.1-26
檢驗試驗:JB/T9092-99

Q41F46襯氟球閥零件材料表:

序號零件名稱灰鑄鐵鑄鋼不鏽耐酸鑄鋼超低碳不鏽耐酸鑄鋼
ZCPRPLRL
1閥體/閥蓋HT250WCBCF8CF8MCF3CF3M
2球體/閥杆WCBCF8CF8MCF3CF3M
3襯裏/閥座PCTEF(F3),FEP(F46),PFA(可溶F4),PP,PO
4填料壓蓋WCBCF8CF8MCF3CF3M
5填料PTFE(F4)PTFE(F4)PTFE(F4)
6支架351Cr18Ni9Ti1Cr18Ni9Ti
7螺栓35Cr17Ni21Cr18Ni2
8緊固螺母450Cr18Ni90Cr18Ni9
9操作手柄WCBWCBWCB

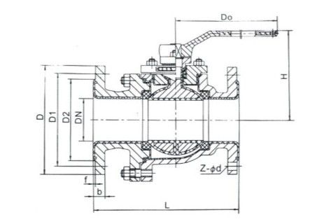
Q41F46襯氟球閥--主要外形和連接尺寸:



公稱通經LDD1D2fbZ-φd
DN(mm)NPS(inch)PN1.0MPa
151/21309565452144-φ14
203/414010575552164-φ14
25115011585652164-φ14
325/4165135100782184-φ18
403/2180145110853184-φ18
5022001601251003204-φ18
655/22201801451203204-φ18
8032501951601353224-φ18
10042802151801553228-φ18
12553202452101853248-φ18
15063602802402103248-φ23
20084573352952653268-φ23
2501053339035032032812-φ23
PN1.6MPa
151/21309565452144-φ14
203/413010575552164-φ14
25114011585652164-φ14
325/4165135100782184-φ18
403/2165145110853184-φ18
5022031601251003204-φ18
655/22221801451203204-φ18
8032411951601353228-φ18
10043052151801553248-φ18
12553562452101853268-φ18
15063942802402103288-φ23
200845733529526533012-φ23

 

 

相關產品

購買免费看片下载閥門合作流程

免費谘詢

提供選型

簽訂合同

安排訂貨

物流配送

保修一年

網站地圖